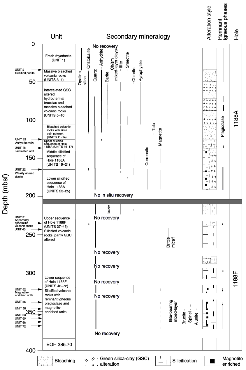
Figure F35. Summary of lithostratigraphic units, alteration style, and distribution of major (heavy lines) and minor to trace (light lines) alteration phases at Site 1188. Shaded intervals = cores where there was no recovery or no in situ recovery. Intervals where remnant igneous plagioclase was detected by X-ray diffraction (XRD) are also indicated on the right hand side. Pyrite is present in all samples analyzed and is not included in the plot. Note the variation in silica species with depth. Clay and phyllosilicate phases are indicated where detected in XRD analyses; no indication of their abundance relative to other phases is implied. It is anticipated that detailed postcruise investigation will extend the distribution ranges for some of these minerals. The terms major, minor, and trace as used here apply to XRD peaks and do not imply quantitative abundances (see "Hydrothermal Alteration" in the "Explanatory Notes" chapter). As the data are still under evaluation, mineral distribution indicated by portable infrared mineral analyzer (PIMA) is not included in the plot. EOH = end of hole. Ch/Sm = chlorite/smectite.