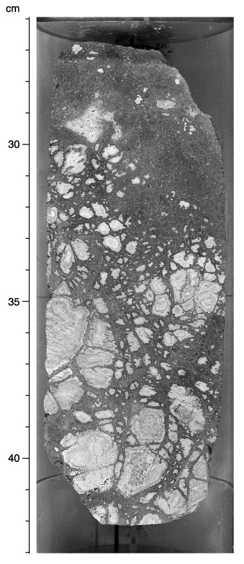
Figure F69. Highly altered dacite fragments in a matrix of Type 1 disseminated pyrite. Very fine grained pyrite (identified as a minor phase by X-ray diffraction) is sufficiently abundant to darken the encompassing anhydrite-silica-clay host (interval 193-1188A-7R-2, 26-42 cm).