Next Section | Table of Contents

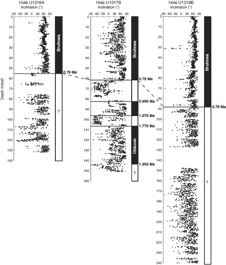
Figure F6. Correlation and interpretation of paleomagnetic inclination results.

Next Section | Table of Contents